

产品型号 | SEA804 系列 | ||||
丝杆导程(mm)*1 | 5 | 10 | 16 | 32 | |
额定出力(kN) | 10 | 30 | 30 | 15 | |
*出力(kN) | 30 | 50 | 50 | 45 | |
额定速度(mm/s) | 250 | 500 | 800 | 1660 | |
*速度(mm/s) | 290 | 580 | 930 | 1860 | |
*行程(mm) | 1800 | ||||
减速比*2 | 1:1 / 2:1 | ||||
内部防转机构 | 有 / 无 | ||||
安装方式 | 前法兰 | ||||
后法兰 | |||||
耳轴 | |||||
侧面安装 | |||||
尾铰 | |||||
活塞杆端连接方式 | 外螺纹 | ||||
内螺纹 | |||||
杆端球铰 | |||||
U型铰接 | |||||
丝杆额定动载(kN) | 20 | 57 | 45 | 42 | |
300mm导程累积误差(mm) | 0.018 | ||||
重复定位精度(mm) | 0.01 | ||||
轴向间隙(mm)*3 | 0.01 | ||||
*加速度(m/s2) | 4 | 8 | 8 | 8 | |
防护等级 | IP65 | ||||
限位开关 | 有 / 无 | ||||
缸体基本重量(kg) (直线式) | 6.0 | 6.5 | 6.0 | 6.6 | |
缸体基本重量(kg) (折返式) | 10.0 | 10.5 | 10.0 | 10.6 | |
每100mm行程重量(kg) | 2 | ||||
*1 可以选择其他规格的导程。请联系当地经销商了解更多详情。
*2 可以选择其他减速比或者加装精密行星齿轮减速器。请联系当地经销商了解更多详情。
*3 可以选择无轴向间隙。请联系当地经销商了解更多详情。
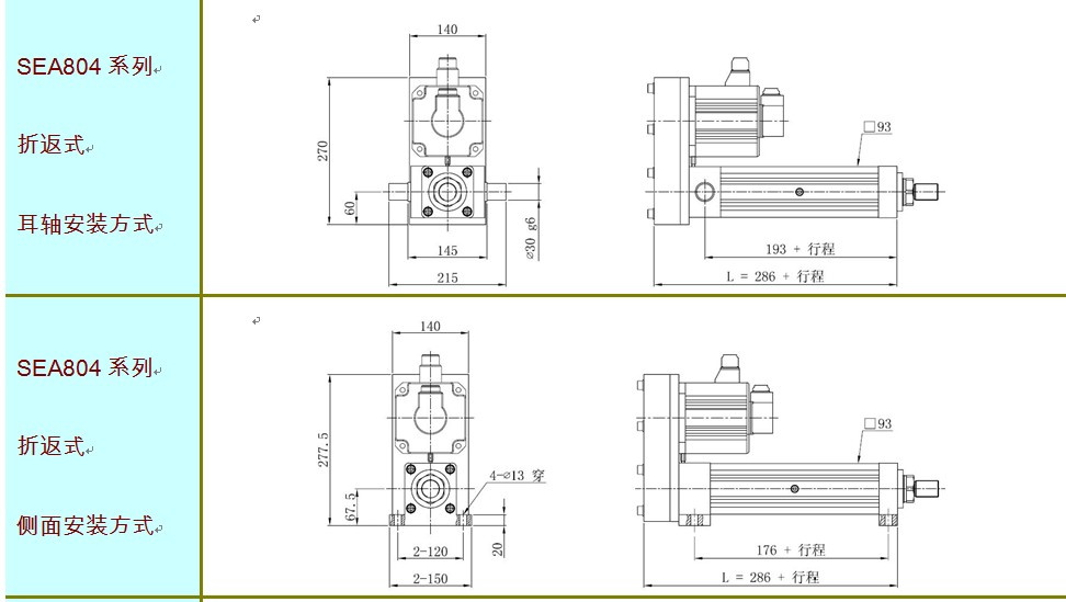
![]()
型号 | 导程 (mm) | 类型 | 同步带 /行星 减速比 | 伺服电机 额定转速 3000rpm时伸缩速度 (mm/s) | 电动缸实际负载(kN) | |||||||||
30 | 25 | 20 | 15 | 10 | ||||||||||
驱动 扭矩 (Nm) | 伺服电 机功率 (kW) | 驱动 扭矩 (Nm) | 伺服电 机功率 (kW) | 驱动 扭矩 (Nm) | 伺服电 机功率 (kW) | 驱动 扭矩 (Nm) | 伺服电 机功率 (kW) | 驱动 扭矩 (Nm) | 伺服电机功率 (kW) | |||||
SEA804 | 5 | 折返式(同步带) | 1:1 | 250 | 28.1 | 8.8 | 23.4 | 7.4 | 18.7 | 5.9 | 14.0 | 4.4 | 9.4 | 2.9 |
1.5:1 | 167 | 18.7 | 5.9 | 15.6 | 4.9 | 12.5 | 3.9 | 9.4 | 2.9 | 6.2 | 2.0 | |||
2:1 | 125 | 14.0 | 4.4 | 11.7 | 3.7 | 9.4 | 2.9 | 7.0 | 2.2 | 4.7 | 1.5 | |||
直线式/折返式(减速机) | 1:1 | 250 | 28.1 | 8.8 | 23.4 | 7.4 | 18.7 | 5.9 | 14.0 | 4.4 | 9.4 | 2.9 | ||
3:1 | 83 | 9.4 | 2.9 | 7.8 | 2.5 | 6.2 | 2.0 | 4.7 | 1.5 | 3.1 | 1.0 | |||
5:1 | 50 | 5.6 | 1.8 | 4.7 | 1.5 | 3.7 | 1.2 | 2.8 | 0.9 | 1.9 | 0.6 | |||
7:1 | 36 | 4.0 | 1.3 | 3.3 | 1.1 | 2.7 | 0.8 | 2.0 | 0.6 | 1.3 | 0.4 | |||
10:1 | 25 | 2.8 | 0.9 | 2.3 | 0.7 | 1.9 | 0.6 | 1.4 | 0.4 | 0.9 | 0.3 | |||
10 | 折返式(同步带) | 1:1 | 500 | 56.2 | 17.7 | 46.8 | 14.7 | 37.5 | 11.8 | 28.1 | 8.8 | 18.7 | 5.9 | |
1.5:1 | 333 | 37.5 | 11.8 | 31.2 | 9.8 | 25.0 | 7.8 | 18.7 | 5.9 | 12.5 | 3.9 | |||
2:1 | 250 | 28.1 | 8.8 | 23.4 | 7.4 | 18.7 | 5.9 | 14.0 | 4.4 | 9.4 | 2.9 | |||
直线式/折返式(减速机) | 1:1 | 500 | 56.2 | 17.7 | 46.8 | 14.7 | 37.5 | 11.8 | 28.1 | 8.8 | 18.7 | 5.9 | ||
3:1 | 167 | 18.7 | 5.9 | 15.6 | 4.9 | 12.5 | 3.9 | 9.4 | 2.9 | 6.2 | 2.0 | |||
5:1 | 100 | 11.2 | 3.5 | 9.4 | 2.9 | 7.5 | 2.4 | 5.6 | 1.8 | 3.7 | 1.2 | |||
7:1 | 71 | 8.0 | 2.5 | 6.7 | 2.1 | 5.4 | 1.7 | 4.0 | 1.3 | 2.7 | 0.8 | |||
10:1 | 50 | 5.6 | 1.8 | 4.7 | 1.5 | 3.7 | 1.2 | 2.8 | 0.9 | 1.9 | 0.6 | |||
16 | 折返式(同步带) | 1:1 | 800 | 89.9 | 28.2 | 74.9 | 23.5 | 59.9 | 18.8 | 44.9 | 14.1 | 30.0 | 9.4 | |
1.5:1 | 533 | 59.9 | 18.8 | 49.9 | 15.7 | 39.9 | 12.6 | 30.0 | 9.4 | 20.0 | 6.3 | |||
2:1 | 400 | 44.9 | 14.1 | 37.5 | 11.8 | 30.0 | 9.4 | 22.5 | 7.1 | 15.0 | 4.7 | |||
直线式/折返式(减速机) | 1:1 | 800 | 89.9 | 28.2 | 74.9 | 23.5 | 59.9 | 18.8 | 44.9 | 14.1 | 30.0 | 9.4 | ||
3:1 | 267 | 30.0 | 9.4 | 25.0 | 7.8 | 20.0 | 6.3 | 15.0 | 4.7 | 10.0 | 3.1 | |||
5:1 | 160 | 18.0 | 5.7 | 15.0 | 4.7 | 12.0 | 3.8 | 9.0 | 2.8 | 6.0 | 1.9 | |||
7:1 | 114 | 12.8 | 4.0 | 10.7 | 3.4 | 8.6 | 2.7 | 6.4 | 2.0 | 4.3 | 1.3 | |||
10:1 | 80 | 9.0 | 2.8 | 7.5 | 2.4 | 6.0 | 1.9 | 4.5 | 1.4 | 3.0 | 0.9 | |||
32 | 折返式(同步带) | 1:1 | 1600 | 179.6 | 56.5 | 149.8 | 47.1 | 119.8 | 37.7 | 89.9 | 28.2 | 59.9 | 18.8 | |
1.5:1 | 1067 | 119.8 | 37.7 | 99.9 | 31.4 | 79.9 | 25.1 | 59.9 | 18.8 | 39.9 | 12.6 | |||
2:1 | 800 | 89.9 | 28.2 | 74.9 | 23.5 | 59.9 | 18.8 | 44.9 | 14.1 | 30.0 | 9.4 | |||
直线式/折返式(减速机) | 1:1 | 1600 | 179.8 | 56.5 | 149.8 | 47.1 | 119.8 | 37.7 | 89.9 | 28.2 | 59.9 | 18.8 | ||
3:1 | 533 | 59.9 | 18.8 | 49.9 | 15.7 | 39.9 | 12.6 | 30.0 | 9.4 | 20.0 | 6.3 | |||
5:1 | 320 | 36.0 | 11.3 | 30.0 | 9.4 | 24.0 | 7.5 | 18.0 | 5.7 | 12.0 | 3.8 | |||
7:1 | 229 | 25.7 | 8.1 | 21.4 | 6.7 | 17.1 | 5.4 | 12.8 | 4.0 | 8.6 | 2.7 | |||
10:1 | 160 | 18.0 | 5.7 | 15.0 | 4.7 | 12.0 | 3.8 | 9.0 | 2.8 | 6.0 | 1.9 | |||
联系客服
电话
13817528805
微信
微信二维码
主站蜘蛛池模板: 永年县| 邹平县| 固安县| 政和县| 饶平县| 通榆县| 宝山区| 柏乡县| 康定县| 京山县| 娱乐| 中山市| 峨边| 永福县| 云阳县| 无极县| 霍林郭勒市| 抚宁县| 安宁市| 翁牛特旗| 海宁市| 临猗县| 万源市| 理塘县| 隆安县| 开阳县| 大英县| 平南县| 乐至县| 龙陵县| 恩施市| 南靖县| 淮北市| 神农架林区| 万盛区| 临西县| 黎川县| 九龙县| 阿鲁科尔沁旗| 调兵山市| 彭阳县|